HEQ5 ojämn tracking speed

Tekniska beskrivningar rörande monteringar, drivning, elektronik etc.
ragge
Posts: 1422
Joined: 2014-03-23 22:25:03
spamtest: JA
Location: Uddevalla

Re: HEQ5 ojämn tracking speed

Post by ragge »

Skulle det inte kunna vara pwm-reglerad (digital) strömmatning, i stället för sinus (analog) ? Det ljudet man hör om man lägger örat intill monteringen vid tracking får åtminstone mig att tänka pwm.

Jag känner mig nog inte manad att koda om chippen i heq5:an tror jag ;-)

Ragnar
Starsoft
Posts: 1501
Joined: 2007-09-20 14:21:00
Location: Gävle
Contact:

Re: HEQ5 ojämn tracking speed

Post by Starsoft »

Hej

Nej det är nog ett omständigt projekt att koda om kortet, bättre lösningar finns nog, den bästa är nog att ignorera felet...

Det är ju en pwm-reglering som används för att skapa sinusformen.

Anders
Observatorium v2.0: http://www.hemlin.se/astroweb
hbar
Posts: 584
Joined: 2010-05-14 18:22:47
spamtest: JA
Location: Lund

Re: HEQ5 ojämn tracking speed

Post by hbar »

Ragnar, har varit på LaPalma så jag har inte kunnat svara. Alla vanliga stegmotor kontroller använder pwm. Detta är inget man hör eller något speciellt med utan tillsammans med den induktans som finns i stegmotorn så bildar de en form av dc-dc omvandlare. Se det istället som att den reglerar för en viss ström o när den är lägre så går den till o när den är högre så går den från.

Den krets dom har valt att anv har ingen inbyggd u-stegning
http://www.datasheet.hk/search.php?part ... stype=part" onclick="window.open(this.href);return false;

Om de driver den som den är avsedd för så måste de mata in en strömstyrsignal på ref-pinnen (p14) sen levererar kretsen den strömmen. Detta är dock lite dyrare då det behövs en extern da-omvandlare o i lågprisapplikationer gör man ibland genvägar. Om de styrs av en pic-kontroller (jag har själv gjort många stegmotorlösningar med dessa) så har de flesta pwm utgång och det är möjligt att de sätter ref till ett fast värde o pwm styr pwm kretsen. Tårta på tårta kan fungera men ofta inte speciellt bra.

En sinus-ström är inte alls optimal. Det är en mycket olinjär moment-position på en enkel 2 fas stegmotor.

Du kan ju leta på nätet om någon tagit fram schemor på kortet. Jag har själv haft god nytta av andras arbete till mina Meade o Celestron styrningar när jag varit inne o rotat i dom.

/Håkan
User avatar
Tony
Posts: 483
Joined: 2015-05-03 13:21:31
spamtest: JA
Location: Borlänge

Re: HEQ5 ojämn tracking speed

Post by Tony »

En enkel lösning är att konvertera om styrningen till Astroeq...lär funka på dom flesta monteringar.
-Finns 2 vägar att gå...bygga själv eller köpa färdig dosa, ca 1000 kr.

Gå in och kolla på https://www.astroeq.co.uk/about.php" onclick="window.open(this.href);return false;
GSO 305/1500 mm Messier 150/1200 mm guidetub
Guider: SSAG Alt Orion all in one Sökare: Vidvinkel + Astromania
Montering: egen tillv. ca 100 kg EQ-drive + EQ-Mod
Fast uppställd i ett obs på hjul. Canon EOS 1200D fullspectrum
ragge
Posts: 1422
Joined: 2014-03-23 22:25:03
spamtest: JA
Location: Uddevalla

Re: HEQ5 ojämn tracking speed

Post by ragge »

@ Håkan,
Det är lugnt, jag har följt dina öden och äventyr i den tråden (vad är väl en bal på slottet ? :D )
Jag har letat efter kretsschema på nätet men inte funnit något. Med det du säger om pin 14, och med det som Tony åstadkommit, i åtanke så tog jag en multimeter och mätte upp vart pin 14 går (på mitt gamla trasiga kort). Med ref till bilden nedan så är följande pinnar galvaniskt hopkopplade :
krets #1 mittstiftet
krets #2 6,7,14,17,18,19
krets #3 mittstiftet
krets #4 8,19,21
synscan-pcb_new.jpg
Sedan såg jag att det även var kontakt med minussidan på samtliga elektrolytkondingar, så jag misstänker att det är jord helt enkelt. Det lutar mao åt att det är varianten med pic-kontroll som gäller här. Och jag gissar att det var den sämre varianten om man skulle försöka modifiera designen, men är inte säker på att jag fattat allt rätt.

@Tony
Jag är lite bortskämd med att ha stöd för polinställning och star alignment i SynScan handkontrollen. Jag kör ju mobilt och vill inte ha dator med mig ut.

Ragnar
hbar
Posts: 584
Joined: 2010-05-14 18:22:47
spamtest: JA
Location: Lund

Re: HEQ5 ojämn tracking speed

Post by hbar »

Såg att det var olika pinout på dip o so. Det är p13 som är ref på so.

Att du sen mätte p17 till jord är för att sense motståndet har låg resistans (hade den varit kopplad till jord hade det inte funkat).

Det verkar inte sitta någon da-omv på kortet. Antingen gör de en diskret med ett antal motstånd eller så anv de en pwm utgång på pic-en för att via ett motstånd o en konding generera en dc nivå som kopplas till p13. Bägge varianterna går att justera en del utan att modifiera koden i pic-arna men det är rätt mycket jobb att gör ett kretsschema o sen vet man ju inte hur bra en modifiering blir.

En variant är att öka värdet på sense motstånden så motorn blir lite svagare o se om den trackar bättre då. Blev det bättre så skulle man kunna ha två lägen så att den får full effekt vid slew o reducerad vid tracking. Är lite krångligt dock då man behöver koppla om 2 av motstånden (de för ra motorn) o de är ytmonterade (sitter ett stort bredvid varje krets). Jag förmodar att du inte har utrustning för att löda loss sådana.

/Håkan
ragge
Posts: 1422
Joined: 2014-03-23 22:25:03
spamtest: JA
Location: Uddevalla

Re: HEQ5 ojämn tracking speed

Post by ragge »

Min nyfikenhet tvingade mig att kolla, och visst - de ytmonterade motstånden ger 1,2 ohm när jag mäter.
Men min självbevarelsedrift tvingar mig att avstå från ingrepp i det enda fungerande kortet jag har - det givna resultatet vore ju att kortet ger upp och vi får molnfritt, varmt, torrt och vindstilla under lång tid framöver.

Annars drar jag mig till minnes en gång när jag som resande servicetekniker fick anledning att byta ett vanligt "gammaldags" motstånd till ett med högre motstånd, men saknade det rätta värdet att byta med. Så jag plockade fram en fin och skarp trekantsfil och gjorde ett lagom djupt jack tvärs över motståndet - och det räddade mig den gången ! Men ytmonterade är väl en annan femma...

Ragnar
ragge
Posts: 1422
Joined: 2014-03-23 22:25:03
spamtest: JA
Location: Uddevalla

Re: HEQ5 ojämn tracking speed

Post by ragge »

Tony wrote:En enkel lösning är att konvertera om styrningen till Astroeq...lär funka på dom flesta monteringar.
-Finns 2 vägar att gå...bygga själv eller köpa färdig dosa, ca 1000 kr.

Gå in och kolla på https://www.astroeq.co.uk/about.php" onclick="window.open(this.href);return false;
Sedan finns ju den här också :
http://www.stellarjourney.com/index.php ... ent_onstep" onclick="window.open(this.href);return false;

Ragnar
ragge
Posts: 1422
Joined: 2014-03-23 22:25:03
spamtest: JA
Location: Uddevalla

Re: HEQ5 ojämn tracking speed

Post by ragge »

Tråden lever ännu, det blev lite av en fix ide som jag inte kunde släppa...

Så jag började med att skaffa ett sådant här kanonbra och billigt pc/usb-oscilloskop :
http://www.ebay.com/itm/Set-Hantek-6022 ... Sw0hlZFDA3
Och en Arduinoprocessor med inbyggd blåtand (BLE = Bluetooth Low Energy) :
https://www.dfrobot.com/product-1122.html
IMG_20170513_201523.jpg
Det fina med den var en gratis "terminal"-typ Android-app som kan kommunicera med processorn, och den använder jag för att styra funktioner i programmet som nu börjar leverera som det var tänkt från början.
Jag kunde inget om Arduino eller C-programmering men det var riktigt kul att lära sig lite. Men skönt att slippa Android-programmering, än så länge iaf.

Jag lyckades först skapa en triggpuls för varje helsteg i RA-motorn, sedan var tricket att skicka på RA+ resp RA- från Arduino till ST4-porten i monteringen för att kompensera bort hastighetsvariationerna. Där blev det mycket testande innan jag hittade rätt. Men, direkt efter trigpulsen skickar jag nu en 80 ms lång RA+ "öka" puls, sedan 5 st 5 ms RA- "bromsa" pulser utspridda på resten av periodtiden. Då blir det rätt jämnt och fint samtidigt som jag behåller original genomsnittshastighet (c:a 1,2 sek mellan två helsteg). EDIT : 0,6 sek skall det vara.
Eftersom periodtiden kan variera med påverkan från en autoguider är puls-timingen dynamiskt uträknad i förhållande till aktuell periodtid.

Så här såg trackingen ut innan fixen :
https://www.dropbox.com/s/u5hgzyhofqw7u ... d.mp4?dl=0
Och så här med fixen :
https://www.dropbox.com/s/p3b44qbbv49cy ... 2.mp4?dl=0
(bäst att ladda ned filerna först, för att undvika att videon rycker).
Ljudet på den senare är synkat med trigpulserna.

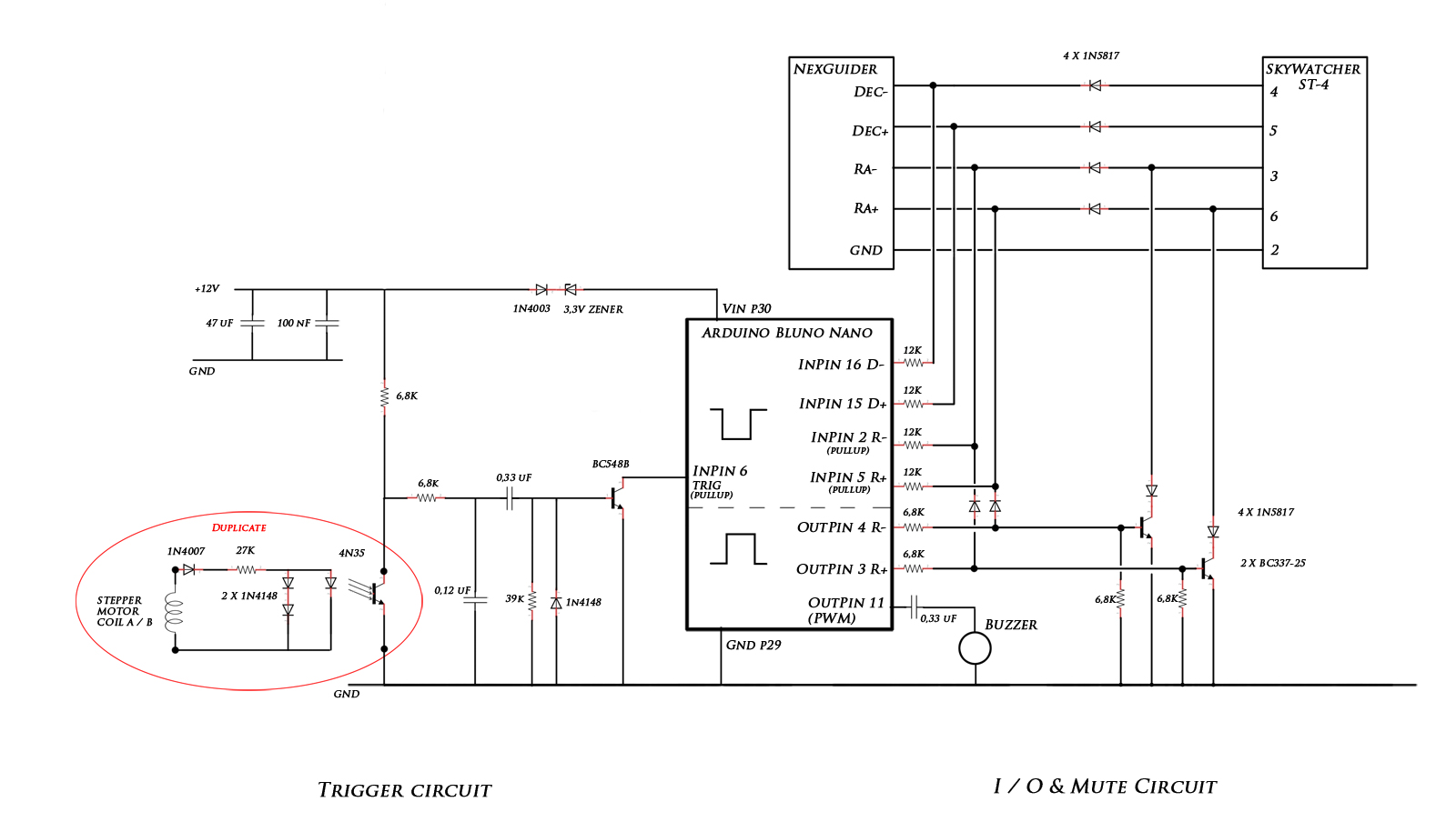
Kretsschema på triggerdelen (de båda optokopplarnas transistorer är parallellkopplade) :
IMG_20170513_202854.jpg
Trigpuls (efter Arduino) i grönt och RA+ i gult :
1.JPG
Trigpuls i grönt och RA- (5 st i rad) i gult :
2.JPG
Återstår att testa skarpt med och utan autoguider...

Ragnar
User avatar
Juicy6
Posts: 373
Joined: 2014-01-20 09:48:50
spamtest: JA

Re: HEQ5 ojämn tracking speed

Post by Juicy6 »

Wow. Det var skillnad det. Mycket spännande. Bra att du inte ger dig...

Christer
----------
Sky-Watcher Esprit 100 ED Super APO
TS-Optics 8" Ritchey-Chrétien Pro
ZWO ASI 294 MC Pro
ZWO ASI 120MM på QHY Mini guider
iOptron CEM40

----------
ragge
Posts: 1422
Joined: 2014-03-23 22:25:03
spamtest: JA
Location: Uddevalla

Re: HEQ5 ojämn tracking speed

Post by ragge »

Tack Christer.

Nu har jag byggt in det hela under huven på HEQ5:an. Där fanns tacksamt nog redan fästen för skruvar, och kretskortet plus Arduino-kortet fick plats med lite marginal ned till DEC-axeln. De båda triggerkretsarna ligger i ett litet outnyttjat utrymme vid sidan av DEC-axeln.
arduino.jpg
Igår kväll fick jag testat mot en stjärna (Tarazed) strax ovanför Altair i Örnen.
Jag har ställt in monteringens handkontroll på Autoguide Speed = 1,0 (snabbaste) för att kunna ha så korta ST-4 pulser som möjligt från Arduino:n (1 X 40ms RA+ samt 4 X 2 ms RA-). På så vis blir det mesta möjliga "utrymme" kvar för autoguidern att jobba med. Men det finns ändå några dioder mm i kretsen, som gör att autoguidern alltid vinner armbrytningen om en sådan skulle uppstå.
schema_2.jpg
Jag fotade med min Nikon D7000 i en 8" Meade LX200ACF med 2X PowerMate, dvs c:a 4000 mm med f20.
Till att börja med 10 sek exponeringar där jag samtidigt tryckte på DEC slew (slow) för att få en horisontell linje i bilden, där det vertikala är variationer i RA. En bild med inkopplad Arduino, och en utan. Båda har förstorats 5X i vertikal riktning i PS.
drift_1.jpg
Därefter kopplade jag in min Nexguider autoguider (satt till 50% agressiveness = 170) på en Baader 60/250mm tub, och exponerade 3 minuter. En gång med Arduino och en gång utan. Bilden nedan är förstorad 2X i PS.
autoguide_1.jpg
autoguide_1.jpg (83.15 KiB) Viewed 9586 times
En viss förbättring kan man konstatera, men det är inte alla gånger som det händer. Ibland ger det positivt resultat men aldrig (hittills) negativt. Kanske har utfallet att göra med hur bra/dålig seeingen är, det får framtiden utvisa.

Ragnar
ragge
Posts: 1422
Joined: 2014-03-23 22:25:03
spamtest: JA
Location: Uddevalla

Re: HEQ5 ojämn tracking speed

Post by ragge »

Gårdagens testkörning här hemifrån tomten gick "rätt hyfsat". Polställde lite snabbt bara - med polsökaren i monteringen - och satte sedan igång att testa min senaste uppgradering av Arduino-programmet. Det består av två delar :
- En som aktivt skickar ut korrektionspulser på ST4-porten och eliminerar ojämnheterna i RA-motorns mikrosteg.
- En som passivt "lyssnar" på guidekamerans signaler (ra+ ra- dec+ och dec-).
Den senare delen hade jag grejat med så att jag nu får en indikation, via blåtand på surfplattan, på hur intensivt (eller obetydligt) guidekameran jobbar. Där finns också en peak-parameter (med ev ljudsignal) så att jag i efterhand kan se om det har varit någon kortvarig störning.

Efter lite inkörning stack jag ut hakan och satte in min 2X PowerMate i Meade LX200 8-tummarn, vilket motsvarar 4100 mm brännvidd och f/20.
Bilden nedan, tagen i tättbebyggt område, är en enstaka obehandlad bild på 10 minuter med iso1600. Det var fuktigt i luften och bra seeing, något som jag tror hade stor betydelse för guide-prestanda. Priset för detta var lite soft fokus och en del kromatisk aberration, som syns i bilden.
Men jag är rätt nöjd att ha fått en portabel HEQ5:a att leverera detta, ihop med en NexGuider i en 250 mm f4,2 guidetub.

Ragnar
4000mm_1x10min_iso1600.jpg
User avatar
AstroFriend
Posts: 4099
Joined: 2012-12-17 13:30:45
spamtest: JA
Location: Stockholm
Contact:

Re: HEQ5 ojämn tracking speed

Post by AstroFriend »

Klurig man du Ragge, skriv om detta på CN och du kommer få en massa nya beundrare!

Gratulerar till den lyckade modifieringen!

/Lars
Camera: Canon EOS 6D / QHY5
Mount: EQ6 / HEQ5
Telescope: TS130 APO / Pentax 645 300 mm ED IF
Samt en massa tålamod!

Homepage: http://www.astrofriend.eu" onclick="window.open(this.href);return false;
ragge
Posts: 1422
Joined: 2014-03-23 22:25:03
spamtest: JA
Location: Uddevalla

Re: HEQ5 ojämn tracking speed

Post by ragge »

Tack Lars,

Inspirationen hämtar jag bl a från dina projekt !

Ragnar
User avatar
micke187
Posts: 677
Joined: 2015-04-30 14:23:53
spamtest: JA
Location: Säffle

Re: HEQ5 ojämn tracking speed

Post by micke187 »

Tänkte höra ifall du rengjort ditt Heq5 nån gång och om de behövs nåt special verktyg till nåt moment? Har tänkt att rengöra och byta ut fettet i min heq5a nån gång längre fram för har märkt att iaf dec-axeln är lite seg i vissa lägen.
Antar att kan va dåligt med fett i lagren om de kan kännas trögt att dra runt det.
/Micke
ASI1600MM pro
TS-optics photoline 115mm triplet
TS-optics photoline 1.0x flattener
Zwo eaf fokuserare
Heq5 pro Rowan mod
APM 50mm guidetub ,Qhy5l-ii
Program:APT ,PHD2, CDC
DSS, Pixinsight 1.8